Inhaltsverzeichnis
Collins 51 S - 1F
Hergestellt von Collins Radio Comp., Cedar Rapids.
Ende der fünfziger Jahre begann man bei Collins, für den Amateurfunkmarkt Geräte zu entwickeln, die von den Ausmassen her auf den Schreibtisch eines Kurzwellenhörers passen und ein gediegen ziviles Äusseres haben.
1958 erschien der Doppelsuper 75S-1, der nur die Amateurfunkbänder abdeckte. 1959 war es dann für einen Allwellenempfänger mit durchgehendem Frequenzbereich von 0,2 - 30 MHz so weit; der 51S-1 stiess bei staatlichen Stellen wie bei Amateurfunker und den Kurzwellenhörern, die sich die 2500 US$ leisten konnten, auf Begeisterung.
Varianten
- 51S-1: Standardausführung, ältere Geräte mit „winged“, neuere mit „round logo“
- 51S-1F: Rackversion
- 51S-1A: 28 V DC Version für Flugzeug-Bordspannung
- 51S-1AF: Rackversion mit 28 V DC - Stromversorgung
- 51S-1B: mit militärischen Steckverbindungen, 115 V AC
Technische Daten
- Frequenzbereich: 30 x AW (0.2 - 30 MHz)
- Frequenzanzeige: lineare Analoganzeige, 1 kHz
- Frequenzspeicher: keine
Stromversorgung
- Netzbetrieb: 115, 230 V
Dimensionen
- 480 x 220 x 381 mm, Gewicht 12 kg
Zubehör
Bedienung
Der Collins 51S-1F ist die 19„-Rackversion des kompakten Allwellenempfängers Collins 51S-1. Von Haus aus ist der Betrieb mit 115 oder 230 V Wechselstrom bei einer Leistungsaufnahme von 125 Watt zum Betrieb der 17 Röhren vorgesehen, die Modelle 51S-1A(F) konnten mit 28 VDC betrieben werden.
Die Anschlussmöglichkeiten auf der Geräterückseite entsprechenden der Herkunft des 51S-1 aus dem Lager der Profi-Geräte, neben einem hoch- oder niederohmigem Lautsprecher gibt es Anschlüsse für einen externen VFO, die ZF von 500 kHz kann ausgeschleift werden, weitere Anschlüsse dienen zum Anschluss des LW/MW- Preselektor- Zusatzes.
Die Frontplatte ist sehr schlicht gehalten, der 51S-1 kommt mit nur neun Bedienelementen aus. Es dominiert die Frequenzskala, der grosse Hauptabstimmknopf kann mit einem Hebel mechanisch blockiert werden, um versehentliches Verstellen zu vermeiden. Im sektorförmigen Fenster oberhalb des Abstimmknopfes kann die Frequenz auf besser als 1 kHz genau abgelesen werden, die Zehnerteilung ist beschriftet. Die Hundert-kHz- Stelle der mechanisch digitalen Anzeige „springt“ jeweils, wenn über einen 99-101 Übergang gekurbelt wird, das Abstimmgefühl ist dank der verspannten Metallzahnräder seidenweich. Die MHz-Stellen werden ebenfalls mechanisch digital im kleinen Fenster über der Abstimmskala angezeigt, der MHz-Drehknopf links neben dem Abstimmknopf. Mit dem Drehknopf Zero Set kann die Eichlinie der Anzeige aufgrund des Empfangs einer Normalfrequenzstation oder dem Eichmarkengeber verschoben werden. Ganz oben links findet sich der Netzschalter, der auch eine Standby-Funktion, in der zur Erhöhung der Frequenzstabilität die Röhrenheizung schon eingeschaltet ist, und eine Position zur Aktivierung des Eichmarkengebers aufweist.
Der RF-Gain- Regler zur Einstellung der HF-Verstärkung liegt links unterhalb des Abstimmknopfes, der Lautstärkeregler ganz unten rechts auf der Frontplatte. Zwischen diesem und dem Abstimmknopf findet sich der Abstimmknopf, zum Einseitenbandempfang können beide Seitenbänder separat geschaltet werden. Die ZF-Filter werden gleichzeitig mit der Betriebsart geschaltet, zum AM-Empfang ist ein nicht sehr steilflankiges Spulenfilter zum Einsatz, dass gegen Aufpreis lieferbare mechanische 6 kHz-Filter lieferte eine wesentlich bessere Güte. Im SSB-Betrieb kommt ein 2,4 oder optional je nach Gerätetyp ein mechanisches 2,75 kHz-Filter zum Zug, in der Stellung CW ein 800 Hz Quarz- Filter, optional konnte auch ein 200Hz- Filter geordert werden. Über dem Betriebsartenschalter liegt der Knopf für den Q-Multiplier mit Notchfunktion, mit 40 dB Absenkung kann damit ein Störsignal eliminiert werden. Rechts oben hat das grossformatige analoge S-Meter seinen Platz gefunden, es ist in dB geeicht und kann von der Anzeige der Signalstärke auf die Anzeige des Audiopegels umgeschaltet werden.
Hier ist auch der vieldiskutierte kleine Unterschied sichtbar, frühere Geräte bis ca. 1967 waren mit dem „winged logo“, dem Collinsemblem mit Seitenstreifen ausgerüstet, spätere mit dem „round logo“, das S-Meter war in frühen Geräten wie beim 51J-4 weiss, später braun.
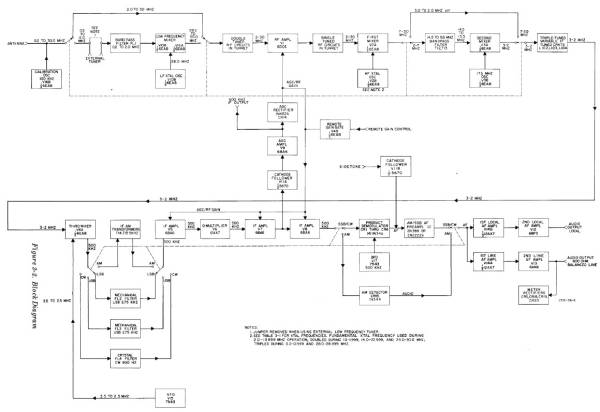
Ein HF-Signal gelangt zunächst auf ein Bandpassfilter je Megahertz- Bereich und die mechanisch gekoppelte, über Zahnräder angetriebene automatische Vorselektion. Zum Empfang in den Bereichen 0,2 - 2 MHz wird die Frequenz nach einem 2 MHz Tiefpassfilter intern über eine Konverterschaltung in den Bereich 28 - 30 MHz umgesetzt. Nach einer HF-Verstärkerstufe erfolgt die Umsetzung im ersten Mischer, in den Bereich 14,5 - 15,5 MHz für den Bereich von 2 - 7 MHz, in dem der Empfänger als Dreifachsuper arbeitet, im zweiten Mischer geschieht danach die Umsetzung in den Bereich 2 - 3 MHz. Der dritte Mischer erhält seine Signale im Bereich 2 - 7 MHz vom zweiten, darüber direkt vom ersten Mischer und setzt sie von 2 - 3 MHz auf die letzte ZF von 500 kHz um. Dieses Signal wird nun im AM-Betrieb durch das 5 kHz-Spulenfilter, im SSB-Betrieb durch das mechanische 2,4 kHz USB oder LSB-Filter und im CW-Empfang über das 800 Hz-Quarzfilter geschickt. Nun folgt die Q-Multiplier- Schaltung mit der Notchfilter funktion und 2 weitere HF-Verstärkungsstufen. In AM kommt eine Dioden- Hüllkurvendemodulation zur Erzeugung der NF zum Zug, im SSB-Betrieb ein aufwendiger Produktdetektor, die NF-Verstärkung geschieht wiederum mit zwei Röhrenstufen.
Im praktischen Einsatz ist der 51S-1 hervorragend zum Einsatz im AM und SSB-Empfang einzusetzen, die Empfindlichkeit, Übersteuerungsfestigkeit und dank der mechanisch mitlaufenden Vorselektion auch die Grossignalfestigkeit an langen Antennen sind hervorragend. Ein Abstrich ist das wenig steilflankige Spulenfilter, das in AM eingesetzt wird, und dass das Filter nicht unabhängig von der Betriebsart geschaltet werden kann, um also das hervorragende 2,4 kHz-Filter einsetzen zu können, muss auf den ECSS-Empfang in der Betriebsart SSB zurückgegriffen werden.
Der 51S-1 ist besser zum Suchempfang in einem Bandabschnitt einzusetzen, das Durchchecken einiger Parallelfrequenzen einer Station über mehrere Kurzwellenbänder kann in eine recht mühsame Kurbelei ausarten. Dies trifft aber für sämtliche Röhenempfänger und auch für ältere Transistorgeräte zu, das Zeitalter der mikroprozessorgesteuerten Kurzwellenempfänger hatte bei der Entwicklung des 51S-1 noch nicht begonnen. Im Vergleich zu anderen High End- Röhrenempfängern ist die Bedienung des Collins 51 S-1 ausgesprochen geradlinig und intuitiv, trotz des grossen mechanischen und elektronischen Aufwandes benötigt der Röhrenempfänger auch in der Rackversion nur wenig Platz.
Technisches Prinzip

Ein HF-Signal gelangt zunächst auf ein Bandpassfilter je Megahertz- Bereich und die mechanisch gekoppelte, über Zahnräder angetriebene automatische Vorselektion. Zum Empfang in den Bereichen 0,2 - 2 MHz wird die Frequenz nach einem 2 MHz Tiefpassfilter intern über eine Konverterschaltung (V16) in den Bereich 28 - 30 MHz umgesetzt. Nach einer HF-Verstärkerstufe (V1) erfolgt die Umsetzung im ersten Mischer (V2), in den Bereich 14,5 - 15,5 MHz für den Bereich von 2 - 7 MHz, in dem der Empfänger als Dreifachsuper arbeitet, im zweiten Mischer (V3) geschieht danach die Umsetzung in den Bereich 2 - 3 MHz. Der dritte Mischer (V4) erhält seine Signale im Bereich 2 - 7 MHz vom zweiten, darüber direkt vom ersten Mischer und setzt sie von 2 - 3 MHz auf die letzte ZF von 500 kHz um. Dieses Signal wird nun im AM-Betrieb durch das 5 kHz-Spulenfilter, im SSB-Betrieb durch das mechanische 2,4 kHz USB oder LSB-Filter und im CW-Empfang über das 800 Hz-Quarzfilter geschickt. Nun folgt die Q-Multiplier- Schaltung mit der Notchfilterfunktion und 2 weitere HF-Verstärkungsstufen. In AM kommt eine Dioden- Hüllkurvendemodulation zur Erzeugung der NF zum Zug, im SSB-Betrieb ein aufwendiger Produktdetektor, die NF-Verstärkung geschieht wiederum mit zwei Röhrenstufen.
Röhrenbestückung
V1 (6DC6, HF-Vorstufe); V2 (6EA8, 1.Mischstufe, Oszillator); V3 (6EA8, 2.Mischstufe, Oszillator 17,5 MHz); V4 (6EA8, 3. Mischstufe); V5, V7, V8 (6BA6, drei ZF-Stufen); V6 (12AX7, Q-Multiplier); V9 (6BA6, AGC-Verstärker); V10 (6EA8, LF/Mittelwellen-Konverter und Oszillator); V11 (5670, AGC Auskopplung); CR1-4 (vier 1N34A, Produktdemodulator); CR15 (1N34, AM Demodulator); V12 (6BF5, NF-Endstufe; V13 (6AK6, NF-Endstufe Line-Ausgang); V14 (12AX7, NF-Vorstufe NF-Ausgang & Line out); V15 (7543 oder 6AU6, VFO); V16 (6EA8, Mischstufe LF/MW-Konverter, Eichmarkengeber); V17 (7543, Telegraphieüberlagerer / BFO).
Verschiedene Gleichrichter in der Spannungsaufbereitung.




